basic ups

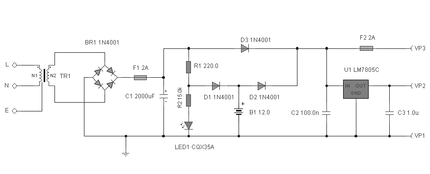
Basic Uninterruptible power supply schematic

Basic UPS schematic diagram

Leave a Reply

Your email address will not be published. Required fields are marked *